Gửi email cho chúng tôi

sdepochwater@hotmail.com

Tin tức

Cấu trúc và nguyên tắc làm việc của van bướm

Xoay vòng 90 độ, làm chủ điều khiển dòng chảy dễ dàng-Van bướm: Tối ưu hóa hiệu quả và chi phí cho các hoạt động đường ống có đường kính lớn!

1. Tổng quan về toàn bộ:

  Một van bướmlà một van đơn giản và vận hành nhanh về mặt cấu trúc chủ yếu được sử dụng để kiểm soát dòng chất lỏng (như nước, khí hoặc bùn) trong các đường ống. Chức năng cốt lõi của nó là mở, đóng hoặc điều chỉnh dòng chảy bằng cách xoay một đĩa (đĩa bướm) trong đường ống.

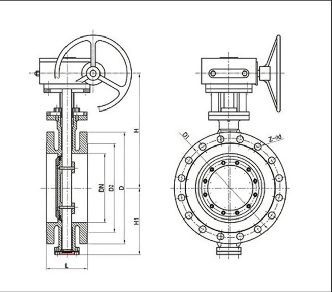
2. KKEY Thành phần - Thân van và Đĩa:

   Cơ thể chính của van bướm là thân van, một vỏ hình trụ ngắn được kết nối với đường ống ở cả hai đầu, tạo thành đường dẫn chất lỏng. Vị trí tập trung trong lối đi cơ thể van là thành phần cốt lõi - đĩa. Đây là một cấu trúc hình đĩa có thiết kế (đồng tâm hoặc lập dị) và vật liệu ảnh hưởng đáng kể đến hiệu suất của van.

3. KKEY Thành phần - Thân và Active:

   Một thân cây đi qua trung tâm hoặc một điểm lập dị của đĩa và mở rộng ra bên ngoài thân van. Trục này chịu trách nhiệm truyền lực quay (mô -men xoắn) được tạo ra bởi cơ chế vận hành bên ngoài (như đòn bẩy, tay cầm hoặc bộ truyền động tự động) đến đĩa, điều khiển vòng quay của nó.

4. KKEY Thành phần - niêm phong (chỗ ngồi và con dấu):

   Để đạt được niêm phong khi đóng, một chỗ ngồi hình khuyên được lắp đặt trên thành bên trong của thân van (hoặc trên cạnh đĩa trong các thiết kế ba lần bù). Khi đĩa đóng lại, cạnh của nó ấn chặt vào chỗ ngồi này. Vật liệu chỗ ngồi có thể là chất đàn hồi (ghế mềm, ví dụ, cao su, PTFE, cung cấp niêm phong tốt) hoặc kim loại (ghế cứng, chống lại nhiệt độ và áp suất cao). Ngoài ra, các con dấu (như đóng gói hoặc vòng chữ O) được đặt ở nơi thân cây thoát ra khỏi thân van, ngăn ngừa rò rỉ phương tiện dọc theo thân cây.

5. Nguyên tắc làm việc - Quy trình mở:

   Khi van cần được mở, cơ chế vận hành (thủ công hoặc tự động) xoay thân. Thân cây làm cho đĩa quay xung quanh trục của nó, di chuyển từ một vị trí vuông góc sang trục đường ống (90 độ, trạng thái đóng) về phía một vị trí song song với nó (0 độ). Khi đĩa quay, sự tắc nghẽn của nó đối với chất lỏng giảm, dòng chảy dần mở ra và chất lỏng chảy trơn tru. Góc xoay cho phép kiểm soát chính xác tốc độ dòng chảy.

6. Nguyên tắc làm việc - Quá trình đóng:

   Khi van cần được đóng lại, cơ chế vận hành sẽ quay thân theo hướng ngược lại. Đĩa bắt đầu quay từ vị trí của nó song song với đường ống, dần dần chặn đường dẫn dòng chảy. Khi xoay khoảng 90 độ để đạt đến vị trí vuông góc, cạnh của đĩa nhấn mạnh vào ghế. Thông qua sự nén này (dựa vào biến dạng đàn hồi cho ghế mềm, hoặc tiếp xúc côn hình nón chính xác cho ghế cứng), một vòng niêm phong hoàn chỉnh được hình thành giữa cạnh đĩa và ghế, hoàn toàn chặn dòng chất lỏng.

7.

   Ưu điểm chính của các van bướm nằm ở cấu trúc nhỏ gọn, trọng lượng nhẹ và kích thước mặt ngắn (không gian tiết kiệm), hoạt động đơn giản và nhanh chóng (thường chỉ yêu cầu xoay 90 độ cho mở/đóng), điện trở có chất lỏng thấp (đặc biệt là khi mở hoàn toàn), mô-men xoắn hoạt động thấp và chi phí đáng kể trong các ống dẫn điện lớn.

8. Nhược điểm và cân nhắc:

   Nhược điểm của các van bướm bao gồm khả năng áp suất niêm phong của chúng thường thấp hơn van cổng hoặc quả cầu (đặc biệt là các loại có vị trí mềm), đĩa luôn có trong đường dẫn dòng chảy gây mất áp lực, ít phù hợp hơn đối với các ứng dụng điều trị nghiêm trọng (có thể gây ra rung hoặc xói mòn) và độ nhạy của vật liệu mềm.

9. Ứng dụng chính thức:

   Tận dụng những lợi thế này, các van bướm được áp dụng rộng rãi trong các kịch bản đường kính từ trung bình đến lớn đòi hỏi vận hành nhanh, hạn chế không gian hoặc độ nhạy chi phí. Các ứng dụng phổ biến bao gồm: hệ thống cấp nước và hệ thống thoát nước (nước uống, nước thải), hệ thống HVAC (sưởi ấm, thông gió và điều hòa không khí), hệ thống phòng cháy chữa cháy, nước làm mát trong ngành công nghiệp điện, ngành hóa dầu (đối với phương tiện áp suất thấp, phương tiện truyền thông nhiệt độ xung quanh), ngành công nghiệp thực phẩm và dược phẩm.

   CÔNG TY THIẾT BỊ THIẾT BỊ EPOCH SHANDONG, LTD. là một nhà sản xuất chuyên nghiệp quy mô lớn ở tỉnh Sơn Đông của Trung Quốc, tuân thủ định hướng khoa học và công nghệ, bảo vệ môi trường, chất lượng và hiệu quả. Hiện tại, nó đã phát triển thành một doanh nghiệp xuyên khu vực và đa công nghiệp tích hợp các ngành công nghiệp rộng lớn như thiết kế, phát triển, sản xuất và xuất khẩu. Truy cập trang web của chúng tôi tạihttps://www.epochpipeline.com/Để tìm hiểu thêm về các sản phẩm của chúng tôi. Đối với các câu hỏi, bạn có thể liên hệ với chúng tôi tại sdepochwater@hotmail.com.

Tin tức liên quan
Để lại cho tôi một tin nhắn
X
Chúng tôi sử dụng cookie để cung cấp cho bạn trải nghiệm duyệt web tốt hơn, phân tích lưu lượng truy cập trang web và cá nhân hóa nội dung. Bằng cách sử dụng trang web này, bạn đồng ý với việc chúng tôi sử dụng cookie. Chính sách bảo mật
Từ chối Chấp nhận