Gửi email cho chúng tôi

sdepochwater@hotmail.com

Tin tức

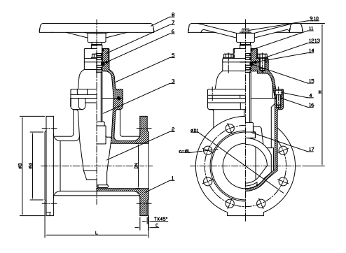
Van cổng NRS có khả năng phục hồi mặt bích

   CácVan cổng không cao (NRS)là một van ngắt với các kết nối mặt bích và thân không cao. Thiết kế cốt lõi của nó có cổng nêm được phủ cao su (ghế kiên cường) và cơ chế STEM không tăng. Xoay các tay cầm lái xe đai ốc để di chuyển cổng theo chiều dọc, niêm phong hoặc mở đường ống. Tuân thủ tiêu chuẩn BS 5163/EN 1074 (Xếp hạng áp suất PN10/16), van kết hợp cường độ của một thân kim loại với niêm phong đàn hồi độ reakage.


Kịch bản ứng dụng Cài đặt bị hạn chế không gian:

   Các buồng van ngầm và phòng trưng bày đường ống hẹp (Thiết kế NRS tiết kiệm không gian dọc); Xây dựng đường ống phòng chống chữa cháy; axit yếu/kiềm); đường ống ven biển (lớp phủ epoxy đầy đủ để bảo vệ ăn mòn).

   Ưu điểm cốt lõi1. Niêm phong độ tin cậy của SEAL-SEAL CẤU TRÚC: Ghế cao su + Nêm kim loại Đạt được EN 12266 Hàng hóa lớp A (rò rỉ ≤0,01%); Bồi thường mặc tự động: Ghế đàn hồi lấp đầy các thông tin vi mô, kéo dài tuổi thọ của dịch vụ lên 200.000 chu kỳ.2. Hiệu quả không gian & Thiết kế NRS chống bảo trì thấp: STEM kín hoàn toàn ngăn ngừa thiệt hại bên ngoài (ít thất bại hơn 60% so với van tăng); Hoạt động không bảo trì: Vòng bi tự bôi trơn + con dấu STEM được xếp hạng IP68 (không bảo trì trong 10 năm) .3. Các mặt bích thích ứng kỹ thuật: Mặt bích ISO 5211 tương thích với đường ống GB/ANSI/DIN; Khả năng chống lưu lượng thấp: Thiết kế đầy đủ (DN≥80) làm giảm tổn thất đầu ≥30%; Vật liệu khẩn cấp: 90 ° xoay vòng quay nhanh.

   Ứng dụng công nghiệp Nâng cấp nước quán rượu: Van DN300 thay thế cổng thép đúc lão hóa (rò rỉ giảm xuống còn 0,001%); Hệ thống hỏa hoạn Dubai Palm Island: Van NRS được thông qua ISO 9227 Thử nghiệm khởi động Nhiệt độ chất lỏng/khả năng tương thích hóa học.

   CÔNG TY THIẾT BỊ THIẾT BỊ EPOCH SHANDONG, LTD. là một nhà sản xuất chuyên nghiệp quy mô lớn ở tỉnh Sơn Đông của Trung Quốc, tuân thủ định hướng khoa học và công nghệ, bảo vệ môi trường, chất lượng và hiệu quả. Hiện tại, nó đã phát triển thành một doanh nghiệp xuyên khu vực và đa công nghiệp tích hợp các ngành công nghiệp rộng lớn như thiết kế, phát triển, sản xuất và xuất khẩu. Truy cập trang web của chúng tôi tạihttps://www.epochpipeline.com/Để tìm hiểu thêm về các sản phẩm của chúng tôi. Đối với các câu hỏi, bạn có thể liên hệ với chúng tôi tại sdepochwater@hotmail.com.


Tin tức liên quan
Để lại cho tôi một tin nhắn
X
Chúng tôi sử dụng cookie để cung cấp cho bạn trải nghiệm duyệt web tốt hơn, phân tích lưu lượng truy cập trang web và cá nhân hóa nội dung. Bằng cách sử dụng trang web này, bạn đồng ý với việc chúng tôi sử dụng cookie. Chính sách bảo mật
Từ chối Chấp nhận