Gửi email cho chúng tôi

sdepochwater@hotmail.com

Các sản phẩm
Đồng hồ nước tưới
  • Đồng hồ nước tướiĐồng hồ nước tưới
  • Đồng hồ nước tướiĐồng hồ nước tưới

Đồng hồ nước tưới

Công dụng: Dụng cụ đo lưu lượng để đo tổng lượng nước chảy qua đường ống.

Điều kiện cung cấp:

►Kích thước: DN50~DN600

►Chất liệu: Vỏ gang

►Cấp nhiệt độ:T30,T50,T90

▶Cấp áp suất:MAP16,MAP10

▶Tổn thất áp suất:△P63


Phương pháp cài đặt:

1. Lắp đặt theo chiều ngang.

2. Cần có bộ lọc nước bổ sung.

3. Đầu vào/ra nước của đồng hồ nước cần có đoạn ống thẳng U10/D5.


Đặc trưng:

1. Khả năng chống truyền nhỏ, khả năng lưu lượng lớn, chống tắc nghẽn và khả năng chống ô nhiễm mạnh.

2. Rôto ngang, ổ khớp nối khô, từ tính.

3. Bộ đếm sử dụng niêm phong chân không, chống ngưng tụ và nguyên tử hóa, và có thể giữ cho số đọc rõ ràng trong một thời gian dài.

4. Cấu trúc có thể tháo rời được áp dụng để dễ dàng lắp đặt và bảo trì

5. Cơ chế đo lường có tính phổ quát mạnh mẽ.

6.Theo nhu cầu của khách hàng, có thể cung cấp thiết bị truyền và truyền từ xa (truyền sậy đôi / hội trường).


Thông số kỹ thuật:

DN (mm) Chảy phạm vi Cấp đo sáng Tối đa dòng chảy Q4 Chung dòng chảy quý 3 Dòng chảy biên Q2 tối thiểu dòng chảy Q1 tối thiểu đọc Tối đa đọc
Q3/Q1 m3/giờ
LXXG-50 2” R20 (R25) 25 31.25 5 1.25 0.002 999, 999
LXXG-65 2/2" 40 50 8 2 0.002 999, 999
LXXG-80 3” 63 78.75 12.6 3.15 0.002 999, 999
LXXG-100 4” 100 125 20 5 0.002 999, 999
LXXG-125 5” 160 200 32 8 0.002 999, 999
LXXG-150 6” 250 312.5 50 12.5 0.002 999, 999
LXXG-200 8” 400 500 80 20 0.002 999, 999
LXXG-250 10” 630 787.5 126 31.5 0.02 9, 999, 999

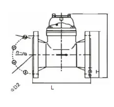
Kích thước và trọng lượng tổng thể:

Người mẫu DN Chiều dài Chiều cao Mặt bích kết nối
mm Mặt bích bên ngoài đường kính φD1 Số lượng bu lông kết nối D2 Số lượng bu lông kết nối
LXXG-50 2” 200 253 165 125 4*M16
LXXG-65 2V2" 200 268 185 145 4*M16
LXXG-80 3” 225 284 200 160 8*M16
LXXG-100 4” 250 295 220 180 8*M16
LXXG-125 5” 250 310 250 210 8*M16
LXXG-150 6” 300 339 285 240 8*M20
LXXG-200 8” 350 382 340 295 8*M20(1.0MPa) 12*M20(1.0MPa)
LXXG-250 10” 450 438 395 405
12*M20(1.0MPa) 12*M24(1.0MPa)

A. Sai số tối đa cho phép của vùng thấp (Q1≤Q

B. Khi nhiệt độ nước là 30 oC, sai số tối đa cho phép ở vùng cao (Q2 `Q `Q4) là ± 2% Khi nhiệt độ nước> 30 oC, sai số tối đa cho phép ở vùng cao (Q2 `Q `Q4) là ± 3%






Thẻ nóng: Đồng hồ nước tưới
Gửi yêu cầu
Thông tin liên lạc
Sẵn sàng để đưa dự án hệ thống nước của bạn lên một tầm cao mới? Gửi một cuộc điều tra cho Shandong Epoch Equipment Co., Ltd. và nhận được phản hồi cá nhân từ nhóm của chúng tôi. Chúng tôi ở đây để giúp tất cả các nhu cầu hệ thống nước của bạn. Hãy để chúng tôi là đối tác đáng tin cậy của bạn.
X
Chúng tôi sử dụng cookie để cung cấp cho bạn trải nghiệm duyệt web tốt hơn, phân tích lưu lượng truy cập trang web và cá nhân hóa nội dung. Bằng cách sử dụng trang web này, bạn đồng ý với việc chúng tôi sử dụng cookie. Chính sách bảo mật
Từ chối Chấp nhận