Gửi email cho chúng tôi

sdepochwater@hotmail.com

Các sản phẩm
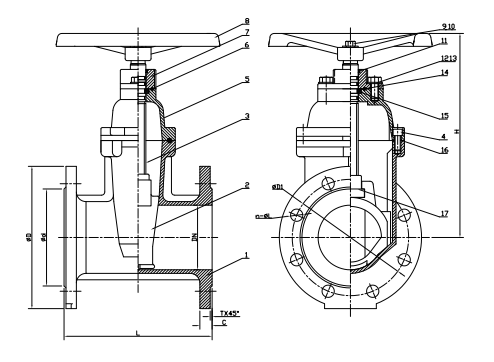
Van cổng NRS có khả năng phục hồi mặt bích
  • Van cổng NRS có khả năng phục hồi mặt bíchVan cổng NRS có khả năng phục hồi mặt bích

Van cổng NRS có khả năng phục hồi mặt bích

Model:PN10/16
Van cổng NRS có khả năng phục hồi mặt bích được thiết kế cho các mạng lưới cấp nước, van này cung cấp sự ngắt trong các hệ thống làm mát công nghiệp, chữa cháy và chữa cháy (xếp hạng áp suất PN10/16), với lý tưởng STEM không tăng của NRS cho các buồng hạn chế. Các dự án chính bao gồm gia hạn đường ống sông Thames Water (hơn 2.000 đơn vị) và các nhà máy khử mặn của Saudi (được chứng nhận phun muối). Cấu trúc vị trí kép của nó (nêm sắt EPDM + Ductle) đảm bảo EN 12266 Lớp A bị rò rỉ, với mặt bích ISO 5211 và các đai ốc thân tự khóa. Được sản xuất trên các dòng tự động (công suất 300k/năm), các van được chứng nhận BSI vượt quá tiêu chuẩn vỡ PN25. Xuất khẩu hàng năm vượt quá 50 nghìn đơn vị (18% thị phần ở Châu Á/Châu Phi/Châu Âu), với các đơn vị 5K DN50-DN600 được dự trữ để giao hàng ≤7 ngày.

Van cổng NRS có khả năng phục hồi mặt bích được thiết kế cho các mạng lưới cấp nước, van này cung cấp sự ngắt trong các hệ thống làm mát công nghiệp, chữa cháy và chữa cháy (xếp hạng áp suất PN10/16), với lý tưởng STEM không tăng của NRS cho các buồng hạn chế. Các dự án chính bao gồm gia hạn đường ống sông Thames Water (hơn 2.000 đơn vị) và các nhà máy khử mặn của Saudi (được chứng nhận phun muối). Cấu trúc vị trí kép của nó (nêm sắt EPDM + Ductle) đảm bảo EN 12266 Lớp A bị rò rỉ, với mặt bích ISO 5211 và các đai ốc thân tự khóa. Được sản xuất trên các dòng tự động (công suất 300k/năm), các van được chứng nhận BSI vượt quá tiêu chuẩn vỡ PN25. Xuất khẩu hàng năm vượt quá 50 nghìn đơn vị (18% thị phần ở Châu Á/Châu Phi/Châu Âu), với các đơn vị 5K DN50-DN600 được dự trữ để giao hàng ≤7 ngày.


• Kết nối kết thúc: mặt bích đến BS EN 1092-2: 1997 • Áp lực làm việc: PN10/16

• Phạm vi nhiệt độ: 0- 100 ℃

• Lớp phủ: Lớp phủ epoxy liên kết hợp nhất theo ANSI/AWWA C550

Để biết thêm thông tin, xin vui lòng liên hệ với dịch vụ khách hàng.

Thẻ nóng: Van cổng NRS có khả năng phục hồi mặt bích
Gửi yêu cầu
Thông tin liên lạc
Sẵn sàng để đưa dự án hệ thống nước của bạn lên một tầm cao mới? Gửi một cuộc điều tra cho Shandong Epoch Equipment Co., Ltd. và nhận được phản hồi cá nhân từ nhóm của chúng tôi. Chúng tôi ở đây để giúp tất cả các nhu cầu hệ thống nước của bạn. Hãy để chúng tôi là đối tác đáng tin cậy của bạn.
X
Chúng tôi sử dụng cookie để cung cấp cho bạn trải nghiệm duyệt web tốt hơn, phân tích lưu lượng truy cập trang web và cá nhân hóa nội dung. Bằng cách sử dụng trang web này, bạn đồng ý với việc chúng tôi sử dụng cookie. Chính sách bảo mật
Từ chối Chấp nhận